Схема подключения JXCT 7-в-1¶
Дата: Июль 2025 Версия: 3.10.0 Автор: JXCT Development Team
📋 Содержание¶
- Содержание
- RS-485 соединение
- ESP32 RS-485 Transceiver (SP3485E)
- Подключение датчика JXCT
- Питание датчика
- Требования к питанию
- Схема подключения питания
- Важные замечания
- Критические моменты
- Рекомендации по монтажу
- Поддержка
- Связь с разработчиками
- Дополнительные ресурсы
- Полезные ссылки
📖 Содержание¶
- 🔌 RS-485 соединение
- ⚡ Питание датчика
- ⚠️ Важные замечания
- 🔧 Рекомендации по монтажу
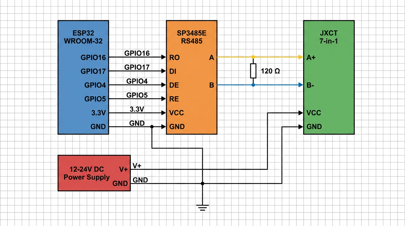
🔌 RS-485 соединение¶
ESP32 → RS-485 Transceiver (SP3485E)¶
SP3485E (3.3V логика)¶
| ESP32 GPIO | SP3485E Pin | Тип сигнала | Описание |
|---|---|---|---|
| GPIO16 | RO | Цифровой вход | UART2 RX - прием данных от SP3485E |
| GPIO17 | DI | Цифровой выход | UART2 TX - передача данных в SP3485E |
| GPIO5 | DE/RE | Цифровой выход | Управление направлением передачи |
| 3.3V | VCC | Питание | Питание модуля SP3485E |
| GND | GND | Земля | Общий провод |
Преимущества SP3485E:¶
- ✅ Питание от 3.3V - не требует преобразования уровней
- ✅ Высокая скорость - до 10 Mbps
- ✅ Низкое энергопотребление - всего 300μA в режиме ожидания
- ✅ Защита от ESD - до ±15kV HBM
- ✅ Встроенная защита от перенапряжения на линии RS-485
Подключение датчика JXCT¶
| SP3485E Pin | JXCT Pin | Тип сигнала | Описание |
|---|---|---|---|
| A | A+ | RS-485 A | Неинвертирующая линия RS-485 |
| B | B- | RS-485 B | Инвертирующая линия RS-485 |
Схемы подключения¶


⚡ Питание датчика¶
Требования к питанию¶
- SP3485E: питается от 3.3V ESP32 (оптимально для ESP32)
- Датчик: требует отдельное питание 12-24V
- Общий провод (GND): соединить все устройства
- Терминирование: резистор 120Ω между A и B на концах линии
Схема подключения питания¶
| Блок питания | JXCT Pin | Описание |
|---|---|---|
| V+ | V+ | 12-24V питание датчика |
| GND | GND | Общий провод |
⚠️ Важные замечания¶
Критические моменты¶
- Полярность: строго соблюдать подключение A+ и B-
- Заземление: обеспечить надежное заземление всех устройств
- Экранирование: использовать экранированную витую пару
- Длина линии: при длинных линиях использовать терминирующие резисторы
🔧 Рекомендации по монтажу¶
- Используйте экранированную витую пару для RS-485
- Соблюдайте полярность подключения A+ и B-
- Обеспечьте надежное заземление
- При длинных линиях используйте терминирующие резисторы
📞 Поддержка¶
💬 Связь с разработчиками¶
- Telegram: @Gfermoto
- GitHub Issues: Сообщить о проблеме
- Документация: GitHub Pages
📚 Дополнительные ресурсы¶
- Руководство пользователя
- Техническая документация
- Агрономические рекомендации
- Руководство по компенсации
- API документация
- Управление конфигурацией
- Протокол Modbus
- Управление версиями
🔗 Полезные ссылки¶
- 🌱 GitHub репозиторий - Исходный код проекта
- 📋 План рефакторинга - Планы развития
- 📊 Отчет о техническом долге - Анализ технических проблем
- 🏗️ Архитектура системы - Общая архитектура проекта